Nissan Primera: Радиатор, Снятие радиатора

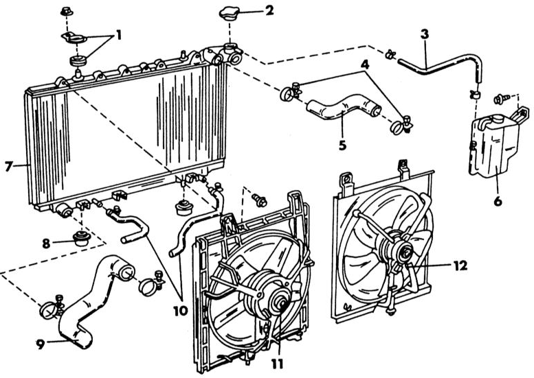
Крепление радиатора на инжекторном двигателе. При установленном карбюраторном
двигателе установлен только один радиатор
1 — крепление радиатора 2 — крышка радиатора 3 — перепускной шланг 4 — шланговые хомуты 5 — верхний шланг радиатора 6 — расширительный бачок 7 — радиатор 8 — резиновая опора радиатора 9 — нижний шланг радиатора 10 — шланги маслоохладителя 11 — мотор левого вентилятора 12 — мотор правого вентилятора
Снятие радиатора
При снятии и установке руководствуйтесь иллюстрацией выше. На моделях с карбюраторным двигателем установлен только один вентилятор, который закреплен таким же образом.
ПОРЯДОК ВЫПОЛНЕНИЯ Слейте охлаждающую жидкость, как описано в Главе Текущий уход и обслуживание.
Отсоедините верхний и нижний шланги радиатора от радиатора и двигателя, после ослабления шланговых хомутов.
На автомобиле с автоматической коробкой передач отсоедините впускной и выпускной шланги маслоохладителя. Подставьте сосуд, чтобы собрать вытекающее масло.
Отключите батарею.
Отключите электрические кабели на моторе или моторах вентилятора и термовыключателе.
Ослабьте гайки крепления на верхней стороне, снимите уголки и выньте радиатор, следя, чтобы соты радиатора не натыкались на какие-либо детали двигателя или кузова. Резиновые опоры на нижней стороне кожуха вентилятора могут быть заменены, если они находятся в неудовлетворительном состоянии.
Если требуется — снимите с радиатора установленный кожух или отдельные щитки.
Общая информация
Двигатель оснащен циркуляционной системой охлаждения. Для циркуляции охлаждающей
жидкости служит лопастный водяной насос. Система охлаждения работает с отдельным
расширительным бачком. Применен тр ...
Радиатор - Установка, Проверка радиатора и крышки
Установка
Установка осуществляется в обратной последовательности. При подозрении неисправности
водяных шлангов их следует заменить. Не забудьте подключить штекеры моторов вентиляторов
и термовык ...
Другое на сайте:
Основные технические характеристики автомобиля
Массогабаритные характеристики
Габаритные размеры, мм
Длина 4595
Ширина 1750
Высота
Модели KY 1445
Кроме модели KY 1430
База
Модели 2.2 л 2670
Кроме модели 2.2 л 2668
Колея
передних колес ...
Замена задних тормозных колодок на барабанных тормозах
Проверка
ПОРЯДОК ВЫПОЛНЕНИЯ
1. Для проверки тормозных колодок рекомендуется снять тормозной барабан. В этом
случае можно также проверить состояние рабочего тормозного цилиндра. Износ накладок
т ...
Механизм переключения передач
Снятие и установка рычага и штанги переключения
Детали механизма переключения на внешней стороне коробки передач
1 — рукоятка рычага переключения 2 — пылезащитный кожух 3 — направляющая рычага
...
