Volkswagen Passat: Общая информация

Детали системы отопления и вентиляции
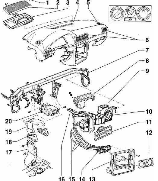
1 – скоба, 2 – фильтр пыльцы, 3 – корпус, 4 – сопла обдува ветрового стекла, 5 – сопла обдува боковых стекол, 6 – передние сопла, 7 – поперечный кронштейн, 8 – переходник, 9 – блок отопителя, 10 – вентилятор отопителя, 11 – переходник, 12 – декоративная накладка панели управления отопителем, 13 – панель управления отопителем, 14 – блок регуляторов отопителя, 15 – тросики, 16 – радиатор отопителя, 16 – левый нижний воздушный канал, 18 – соединитель, 19 – верхний воздушный канал, 20 – распределитель потока воздуха
Воздух, подаваемый системой вентиляции в салон автомобиля, может подогреваться или охлаждаться в зависимости от условий комфорта, выбираемых водителем и пассажирами. Системы отопления и кондициони рования являются раздельными, однако агрегаты и узлы этих систем располагаются в пассажирском отсеке в общем корпусе под панелью приборов. Весь поток подаваемо го в салон воздуха направляется для нагревания или охлаждения через один и тот же кожух. Температура и скорость потока воздуха регулируется с помощью одних и тех же органов управления. Тепло, выделяемое при работе двигателя, передается охлаждающей жидкостью к радиатору отопителя, расположенному в салоне. Подводимый поток воздуха от системы вентиляции проходит через радиатор и нагревается теплом охлаждающей жидкости двигателя, протекающей внутри радиатора. Система кондиционирования удаляет излишнее тепло и влагу из салона в соответствии с основными физическими принципами. Хладагент, циркулирующий в виде жидкости в той части системы, где поддерживается высокое давление, испаряется и превращается в газ на участке низкого давления. При расширении газа происходит охлаждение, сопровождающееся отбором тепла из воздуха, подаваемого вентилятором в пассажирский салон и понижение его температуры. Далее по мере прохождения через конденсатор хладагент отдает поглощенное тепло окружающему воздуху. Цикл отбора тепла продолжает ся бесконечно долго по мере циркуляции хладагента по замкнутому контуру. Из воздуха, подаваемого в салон, происходит удаление влаги вследствие конденсации на испарителе холодильной камеры. Система кондиционирования воздуха представляет собой потенциальную опасность. При ее обслуживании требуется соблюдение определенных правил. Для выполнения большинства операций по ремонту и обслуживанию системы кондициони рования требуется специальное оборудование и определенные навыки работы. Вентиляция кузова обеспечивается путем формирования сквозного потока воздуха. Свежий воздух попадает внутрь автомобиля через воздухозаборник, расположен ный перед ветровым стеклом. Поток воздуха выходит наружу через выпускные каналы, расположенные по бокам кузова около задних амортизаторов. Величина потока воздуха регулируется четырехскоростным вентилятором. Система подогрева воздуха смешанного типа предназначена для быстрого реагирования на изменение температуры воздуха в салоне и уменьшения пульсации температуры подогретого воздуха. Охлаждающая жидкость системы охлаждения двигателя постоянно циркулирует в радиаторе отопителя и поток охлаждающей жидкости не регулируется. Регулируемым фактором является температура воздуха, которая изменяется смесительной заслонкой, определяющей количество воздуха, проходяще го через радиатор отопителя перед попаданием его в салон автомобиля. Для исключения попадания в салон автомобиля свежего воздуха имеется режим рециркуляции воздуха.
Меры предосторожности при обслуживании системы кондиционирования воздуха Система кондиционирования заправляется хладагентом "Фреон R12", а детали системы находятся под рабочим давлением свыше 300 атмосфер. Источником повышенной опасности при неправильном обслуживании системы неподготовленным техническим персоналом и при использовании не надлежащего оборудования является высокое давление и химическое воздействие хладагента. Автомобильный хладагент "Фреон R12" обладает опасным воздействием на окружающую среду. Для защиты окружающей среды фирма Фольксваген предписывает использовать при разгерметизации системы кондиционирования оборудование по утилизации и переработке, снабженное сертификатом страховой лаборатории (UL). Система кондиционирования должна обслуживаться исключительно подготовлен ным техническим персоналом, обученным безопасным приемам работы с применением надлежащего оборудования с соблюдением правил разгерметизации, ознакомленному с приемами сбора и порядком хранения автомобильного хладагента. Не допускайте контакта хладагента кожей. При работе рядом с системой кондиционирования надевайте защитные очки. При попадании хладагента на кожу или глаза не растирайте пораженное место. Немедленно промойте холодной водой в течение не менее 15 минут. Немедленно обратитесь к врачу или в лечебное учреждение. Самолечение не допускается. В новом баллоне хладагент хранится под давлением. Храните баллон при температуре не выше 50° С. Принимайте меры, исключающие падение баллона с высоты или иные ситуации, которые могут привести к его повреждению. Работы следует проводить в хорошо проветриваемом помещении. Хладагент быстро испаряется, приводит к уменьшению доступа кислорода и затрудненному дыханию. Газообразный хладагент тяжелее воздуха и сравнительно быстро должен собираться внизу, например, под автомобилем. При сгорании хладагента образуется ядовитый газ. Храните хладагент вдали от открытых источников огня. Не курите. При пользовании пламенным течеискателем избегайте вдыхания дыма. При проведении сварочных работ вблизи системы кондиционирования воздуха всегда удаляйте из нее хладагент. Электросварка вблизи трубопроводов с хладагентом может вызвать разложение хладагента под действием ультрафиолетового излучения. Не подвергайте детали системы кондиционирования воздействию высокой температуры или открытого пламени. Перегрев может привести к повышению давления в системе и воспламенению. Очистка конденсатора или испарителя с помощью водяного пара не допускается. Следует использовать только холодную воду или сжатый воздух.
Отопление, вентиляция
Воздух, подаваемый системой вентиляции в салон автомобиля, может подогреваться
или охлаждаться в зависимости от условий комфорта, выбираемых водителем и пассажирами.
Системы отопления и кондициони ...
Вентиляционные сопла
ПОРЯДОК ВЫПОЛНЕНИЯ
1. Плоскогубцами, потянув вверх, извлеките из панели приборов сопла подачи воздуха
на боковые стекла.
2. Для снятия центральных вентиляционных сопел используйте две отвертки, вс ...
Другое на сайте:
Радиатор (модели с автоматической коробкой передач)
Снятие
ПОРЯДОК ВЫПОЛНЕНИЯ
1. На моделях с автоматической коробкой передач слева от радиатора системы охлаждения
расположен теплообменник трансмиссионной жидкости, который связан с трансмиссией
...
Система понижения токсичности выхлопных газов
Система MULTEC Система улавливания паров топлива предназначена для уменьшения
количества выбросов в атмосферу несожженых углеводородов.
Топливная система автомобиля герметична и пары топлива собир ...
Запоминание положений сиденья и наружных зеркал
Органы регулировки сиденья. A Кнопки запоминания настроек. B
1. На автомобилях, не оборудованных системой запуска без ключа, вставьте ключ
зажигания в замок и поверните его в положение I или II.
...
