Iran Khodro Samand: ДВИГАТЕЛЬ В СБОРЕ - СНЯТИЕ И УСТАНОВКА ДВИГАТЕЛЯ
1. Поддомкратить автомобиль.
2. Слить охлаждающую жидкость и отсоединить верхний и нижний шланги системы охлаждения.
З. Слить трансмиссионное масло из коробки передач.
4. Слить моторное масло из двигателя.
5. Поднять автомобиль, затем отвер нуть две гайки, три болта и снять ниж ний брызговик двигателя.
Изготовление вырубных штампов и пуансонов puansony.ru.
6. Отвернуть два винта крепления подкрылка к бамперу, одну гайку и отсоединить три фиксатора. Отвернуть один винт крепления к кузову и снять передний правый подкрылок.

7. Используя торцовый ключ, установ ленный в отверстие в шкиве, отпустить натяжитель ремня привода вспомога тельного оборудования,установить па лец, чтобы зафиксировать натяжитель.
8. Снять приводной ремень.
системы кондиционирования воздуха (если укомплектован).

9. Отвернуть гайки и снять стопорную пластину, затем отвести патрубки 10. Отсоединить разъем и отвернуть 4 болта крепления компрессора кондиционера к двигателю.


11. Отвернуть два болта крепления и снять шток реактивной тяги.
12. Отпустить две фиксирующие гайки промежуточного подшипника, затем провернуть болты на 90" так, чтобы головки не прикасались к наружному кольцу подшипника.

1З. Отвернуть болты крепления штока стабилизатора поперечной устойчи вости к нижнему рычагу.
14. Снять оба передних колеса.

15. Снять зажим и стопорную крышку.
16.Используя специальное приспособление, отвернуть гайку крепления ступицы колеса.


17. Используя специальное приспособ ление, отсоединить нижний рычаг от поворотного кулака подвески.
18. Отвернуть болты крепления ниж него подкрылка к кузову так, чтобы его можно было сместить назад.
19. Осторожно переместить поворот ный кулак, снять с приводного вала. За тем извлечь приводной вал из диффе ренциала.

20.Отвернуть две гайки крепления переднего патрубка системы выпуска к коллектору. Затем отвернуть две гайки и снять зажим крепления переднего патрубка к промежуточному патрубку системы выпуска отработавших газов.

21. Снять термоизоляционный щиток с корпуса привода спидометра.
22.Извлечь стопорный палец и отсоединить трос привода спидометра.
2З.Отсоединить разъем тахометра.

24.Отпустить зажимы троса привода выключения сцепления и отсоединить патрубки системы кондиционирования.
25.Снять подрамник.

26. Опустить автомобиль и отсоединить жгут проводов от центрального блока управления (ECU).
27. Отсоединить два зажима и снять патрубок системы впуска.
28.Отсоединить отрицательную клемму от аккумуляторной батареи. Затем извлечь аккумулятор и его фиксирующую пластину.

29.Отсоединить главные провода двигателя от разъемов и положительную клемму от аккумуляторной батареи.
З0.Отвернуть болт и снять держатель отрицательной клеммы аккумуляторной батареи с кронштейна.

З1. Отпустить два зажима и отсоединить от двигателя два патрубка отопителя.

З2.Отсоединить штоки переключения передач от коробки передач.

ЗЗ. Высвободить внутренний трос из кронштейна крепления коробки передач. З4.Высвободить наружный трос из рычага управления сцеплением.

З5.Отпустить зажимы и отсоединить патрубки от верхней крышки приводного ремня ГРМ (газораспределительного механизма).

З6. Отпустить зажим и отсоединить трос от корпуса дроссельной заслонки.
З7. Отсоединить шланг вакуумного усилителя тормозов и шланг датчика массового расхода воздуха от впускно го коллектора.
З8.Снизить давление в системе питания, затем отсоединить подающий и обратный шланги топливной системы.

З9. Слить масло из гидроусилителя ру левого механизма.
40. Отпустить зажим и отсоединить верхний шланг насоса гидроусилителя рулевого управления (PAS).
41. Отсоединить патрубок от насоса гидроусилителя, затем отвернуть гайку и высвободить патрубок из кронштейна крепления.
42. Высвободить патрубок гидроуси лителя из зажимов на блоке цилиндров двигателя.
4З.Установить специальное приспособление (2441З005) для вывешивания и крюки (2441З006) на двигатель в специальных технологических отверстиях.
44. Подсоединить подъемник к приспособлениям и исключить провисание тросов.

45.Отвернуть гайку левой опоры двигателя, шайбу заменить новой.
46.Отвернуть две гайки крепления и снять левую опору двигателя.
47. Снять вал крепления коробки передач и прокладку.

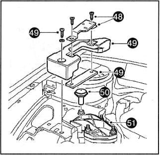
48.Отвернуть три винта крепления и снять кронштейн.
49. Отвернуть три болта крепления, за тем снять кронштейн опоры.
50. Снять буфер опоры двигателя.
51. Отвернуть четыре гайки крепления и снять правую опору двигателя.
52. Осторожно извлечь двигатель.

5З.Установка производится в обратной последовательности снятию.

ТЕХНИЧЕСКИЕ ХАРАКТЕРИСТИКИ
ОСНОВНЫЕ ТЕХНИЧЕСКИЕ
ХАРАКТЕРИСТИКИ ...
СНЯТИЕ И УСТАНОВКА ПРИВОДНОГО РЕМНЯ ВСПОМОГАТЕЛЬНОГО ОБОРУДОВАНИЯ И ЕГО НАТЯЖИТЕЛЯ
1. Повернуть колеса автомобиля в крайнее правое положение, затем под нять автомобиль.
2. Отвернуть два винта крепления ко лесной арки к бамперу, затем отвернуть одну
гайку и отсоединить три фиксато ...
Другое на сайте:
ЗАПРОГРАММИРОВАННЫЕ КЛЮЧИ
Примечание: Не допускайте экранировки ключей металлическими предметами.
Это может нарушить процесс распознавания ключа приемником.
Примечание: Если вы потеряете ключ, остальные ключи будет необходи ...
Замена фильтров системы кондиционирования воздуха
(каждые 48 000 км [30 000 миль] пробега или раз в 24 месяца)
В стандартную комплектацию рассматриваемых в настоящем Руководстве моделей
входит система дополнительной безопасности (SRS), более извес ...
МЕРЫ ПРЕДОСТОРОЖНОСТИ ПРИ ОПРЕДЕЛЕНИИ УТЕЧЕК ПРИ ПОМОЩИ КРАСИТЕЛЯ
• Кондиционер содержит флуорес центный краситель, используемый для обнаружения
мест утечек хладагента.
При проверке потребуется ультрафио летовая (UV) лампа для освещения кра сителя.
• Всегда на ...
