Nissan Primera: Термостат
Термостат находится в корпусе, который на инжекторном и карбюраторном двигателе установлен в разных местах. На карбюраторном двигателе он привинчен к водяному насосу, и на иллюстрации показано это исполнение. На всех двигателях имеется крышка термостата, к которой подключен водяной шланг.

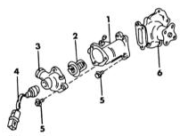
Отдельные элементы модуля термостата на карбюраторном двигателе
1 — корпус термостата 2 — термостат 3 — штуцер впуска воды 4 — штекер и термовыключатель 5 — болт, 6.5 – 8.5 Н•м 6 — водяной насос
Следует помнить, что термостат имеет воздушное отверстие или маленький штифт, который должен находиться на верхней стороне.
Термостат можно проверить, подвесив его на проволоку в емкости с холодной водой, как показано на иллюстрации ниже.

Проверка термостата. Подвесить термостат и термометр указанным образом в емкости
и нагреть воду.
Следите, чтобы термостат не касался дна и стенок сосуда.
ПОРЯДОК ВЫПОЛНЕНИЯ Опустите в воду термометр. Постепенно нагревайте воду и заметьте, при какой температуре термостат начинает открываться. Это должно происходить при 76.5° С. При температуре 90° С термостат должен быть полностью открыт.
При установке термостата возьмите его в руку и определите, где находится вентиляционное отверстие или штифт. Отверстие или штифт должны быть сверху. Термостаты могут также быть обозначены стрелкой или надписью «ТОР». Стрелка должна указывать вверх.
Очистите все уплотнительные поверхности от остатков старого уплотнения и нанести полоску герметика толщиной 2 - 3 мм. Это относится к крышке и, если снят, к корпусу.
Снова привинтите корпус или крышку корпуса.
Откорректируйте уровень охлаждающей жидкости и проверьте систему на наличие мест утечки.
Водяной насос
Водяной насос не разбирается и в случае выхода из строя или повреждения заменяется.
Проверьте зазор вала подшипника в подшипнике и крыльчатку на наличие ржавчины. В
насосе не используются прокладк ...
Другое на сайте:
Коробка передач: проверка на герметичность/проверка уровня масло
Специальных инструментов не требуется.
Применяемые горюче-смазочные материалы • Механическая коробка передач: трансмиссионное
масло API-GL-4 или GL-5, SAE 75W-90; • Автоматическая коробка передач: ...
РАСХОД ТОПЛИВА
Величина топливной экономичности и уровень выброса диоксида углерода
получены на основании лабораторных испытаний в соответстви с директивой ЕЭС за номером
80/1268/EEC с учетом последующих поправо ...
Облицовочный элемент двери/стекло/стеклоподъемник передней дверцы
Автомобили выпуска с 01/92-07/97 1 - ручка стеклоподъемника; 2 - внутренняя
ручка двери; 3 - обивка двери; 4 - держатель; 5 - уплотнитель; 6 - пленочный уплотнитель
двери; 7 - стекло; 8 - ручн ...

