Mazda 626: Снятие и установка топливного насоса
Бензиновый двигатель Топливный насос находится под задними сидениями около топливного бака Перед снятием топливного насоса бак по возможности необходимо опорожнить. Для вентиляции рабочего места подойдет радиальный вентилятор, мотор которого не попадав) в воздушный поток.
Снятие Указание по безопасности. При снятии топливного насоса может вытечь топливо. Пары топлива ядовиты. Обязательно обращайте внимание на хорошую вентиляцию рабочего места. Избегайте контакта топлива с кожей.
Носите специальные спецовки. Не работать вблизи открытого огня. Пожароопасно! Необходимо иметь в наличии огнетушитель.
• Отсоединить кабель массы (-) аккумулятора.
Внимание. При этом стираются данные из памяти неисправностей и защитный код радиоприемника.
• Уменьшить давление топлива, обратитесь к соответствующей главе.
• Отсоединить задние сиденья.
• Отсоединить крышку прибора подачи топлива.
• Очистить тряпкой штекер и присоединения топливопровода.
• Отсоединить штекер прибора подачи топлива.
• Пометить топливные шланги изоляционной лентой и отсоедините их, предварительно ослабьте хомуты.
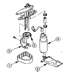
• Отсоединить прибор подачи топлива и осторожно достать его из топливного бака Следить за тем, чтобы при извлечении не повредить датчик уровня топлива Собрать вытекшее топливо в специальный сосуд и с помощью тряпки.

• Отсоединить фиксирующий хомут - 1 • Отсоединить держатель -2-, а также резино вую накладку -3-.
• Отсоединить штекер топливного насоса • Раскрыть хомуты и достать топливный насос -4- из соединительного шланга.
Установка • Очистить топливный фильтр -5-.

• Установить топливный насос в соединитель ный шланг. При этом следите за тем, чтоб он стоял ровно, в противном случае можно повредить соединительный штуцер насос.
Закрепить хомут - 1 - на расстоянии а - 3 мм • Отодвинуть штекерное соединение.
• Закрепить держатель с резиновой накладкой.
• Установить топливный насос в держатель потянуть вниз -2- для закрепления в держа теле -3-.
• Надеть фиксирующий хомут на топливный насос.
• Установить прибор подачи топлива с ново прокладкой в топливный бак и закрепить мо ментом 2 Нм • Подсоединить топливные шланги согласно нанесенным маркировкам и закрепить их хомутами.
• Подсоединить штекер.
• Закрепить крышку болтами.
• Соединить кабельный штекер.
• Установить задние сиденья • Подсоединить кабель массы (-) аккумулятора. Установить время на часах Задать за щитный код радиоприемника.
• Перед запуском двигателя нагнетайте давление топлива.
Проверка топливного насоса
Бензиновый двигатель Проверка функционирования • Открыть крышку штекерного соединения
для диагностического стенда -2- и блокировать вспомогательным кабелем <F/P> -4-
и <масса> -5-.
-3 ...
Топливный фильтр
Дизельный двигатель 1 - Штекер подогрева фильтра; 2 - Штекер сигнального
фонаря, 3 - Топливные шланги; 4 - Держатель фильтра с механическим насосом; 5 -
Гайка, 22 Нм; 6 - Фильтрующий элемент, ...
Другое на сайте:
Элементы зубчатого ременного привода (дизельный двигатель мощностью 74 кВт/100
л.с.)
Элементы зубчатого ременного привода (дизельный двигатель мощностью 74 кВт/100
л.с.) 1 - Верхняя крышка зубчатого ремня 2 - Болты, 10 Нм 3 - Клиновой ремень
4 - Подшипник двигателя N3 5 - Гайк ...
Ремонт сильных повреждений кузова
При значительных повреждениях кузова и потребности в замене значительной части
деталей работу необходимо производить на станции ТО. Если повреждения кузова получены
в результате сильного удара, не ...
Электрооборудование
• Лампы подсветки щитка приборов, сигнальные и контрольные лампы, звуковой сигнал:
проверить работоспособность.
• Приборы освещения: проверить работоспособность.
• Все потребители тока: проверить ...
