Nissan Primera: Система выпуска отработавших газов - Снятие и установка системы

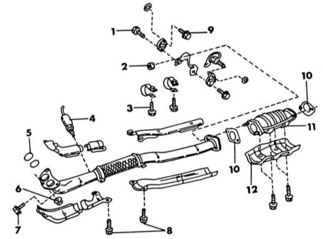
Передняя часть выхлопной системы автомобиля с двигателем SR20DE
1 — болт, 13 - 16 Н•м 2 — гайка, 45 - 55 Н•м 3 — болт, 5 - 6.5 Н•м 4 — лямбда-зонд, 18 - 24 Н•м 5 — прокладки фланца коллектора 6 — гайка, 42 - 49 Н•м 7 — болт, 21 - 27 Н•м 8 — болт, 5 - 7 Н•м 9 — болт, 13 - 16 Н•м 10 — прокладка 11 — катализатор 12 — теплозащитные экраны

Передняя часть выхлопной системы карбюраторного двигателя
1 — болт, 13 - 16 Н•м 2 — гайка, 44 - 56 Н•м 3 — болт, 5 - 6.5 Н•м 4 — болт, 5 - 6.5 Н•м 5 — прокладка выпускного коллектора 6 — болт, 21 - 27 Н•м 7 — гайка, 29 - 34 Н•м 8 — болты, 5 - 6.5 Н•м 9 — прокладки 10 — катализатор 11 — болт, 13 - 16 Н•м 12 — теплозащитные экраны

Задняя часть выхлопной системы
1 — болт, 6 Н•м 2 — болт, 13 - 16 Н•м 3 — резиновые подвески 4 — гайка, 13 - 16 Н•м 5 — болты, 13 - 16 Н•м 6 — основной глушитель 7 — прокладка 8 — промежуточная труба 9 — резиновые подвески 10 — уголок крепления
Очевидно, что системы выпуска отработавших газов рассматриваемых в данном руководстве моделей имеют разную конструкцию, так что мы ограничимся описанием моделей с катализатором. На моделях без катализатора, последний заменен глушителем. На иллюстрациях Передняя часть выхлопной системы автомобиля с двигателем SR20DE и Передняя часть выхлопной системы карбюраторного двигателя изображены передние части системы выпуска инжекторного и карбюраторного двигателей. На иллюстрации изображена задняя часть системы, которая с небольшими отличиями практически одинакова для всех моделей. Однако расположение и крепление задней части немного отличается, в чем Вы быстро убедитесь при осмотре установленной системы.
Руководствуясь этими иллюстрациями следует выполнить следующие работы: ПОРЯДОК ВЫПОЛНЕНИЯ Подоприте систему снизу, чтобы была ослаблена подвеска.
Ослабьте гайки с нижней стороны выпускного коллектора и отсоедините приемную трубу глушителя от коллектора. В зависимости от исполнения к коллектору присоединена одинарная или двойная приемная труба.
Отвинтите все теплозащитные экраны с нижней стороны выхлопной системы.
Удалите гайки и болт, чтобы отсоединить трубу от металлического уголка.
Вывинтите лямбда-зонд со стороны приемной трубы глушителя, если речь идет об инжекторном двигателе.
Удалите болты и удалите подвеску глушителя.
Для снятия переднего участка системы удалите гайки, снимите болты сверху и отсоедините трубу от катализатора.
Для снятия задней части системы удалите гайки и ослабьте резиновые подвески. Если требуется снять только основной глушитель и/или трубу, удалите элементы крепления согласно иллюстрации и отвинтите заднюю трубу на соединительном фланце глушителя или катализатора. У исполнения без катализатора средняя труба расположена между основным глушителем и приемной трубой и должна ослабляться соответствующим образом.
Разберите систему как требуется, если система была снята в комплекте и вставьте новые детали.
При установке описанных деталей учитывайте следующие моменты, в случае если заменяется вся система: Все моменты затяжки указаны на сопроводительных иллюстрациях.
Прокладки между приемной трубой глушителя и катализатором, обратной стороной катализатора и задней трубой, задней трубой и основным глушителем всегда заменяйте, даже если они имеют еще удовлетворительный вид. В крайнем случае можно установить старую прокладку в хорошем состоянии с помощью герметика.
Следите за достаточным расстоянием между элементами системы выпуска отработавших газов и другими деталями кузова.
Ввинтите лямбда-зонд в приемную трубу и затяните с усилием 18-24 Н•м. После установки проверьте все резиновые детали. Они не должны быть натянуты, так как в противном случае лопнут через короткий промежуток времени.
Установите все подвески в соответствии с монтажными схемами.
Вакуумные шланги
Прокладка вакуумных шлангов на двигателе SR20Di. Позиции с "1" по "9" указывают
шланги, на которые делаются ссылки в тексте. Стрелка указывает на переднюю сторону
автомобиля
...
Катализатор
Следует сказать несколько слов об установленном катализаторе.
Кислородный датчик вставлен в выхлопную систему (на инжекторном двигателе) или
в выпускной коллектор (на карбюраторном двигателе). На в ...
Другое на сайте:
Автомобили марки Nissan Primera - с двигателем 1.6 литров, с двигателем 2.0
литра
С двигателем 1.6 литров
1.6-литровые модели, 1597 см3, 90 л.с./66 кВт, седан, двигатель GA16DS, с карбюратором.
В зависимости от страны назначения автомобиль производится с обозначением модели
« ...
Система улавливания топливных испарений (EVAP) - проверка состояния компонентов
ПОРЯДОК ВЫПОЛНЕНИЯ
Полная проверка системы EVAP лежит вне пределов квалификации среднестатистического
механика-любителя. По счастью, система EVAP, как и прочие системы снижения токсичности
от ...
Система заряда - меры предосторожности
При стыковке клеммных соединений электрических цепей оборудованных генератором
переменного тока автомобилей следует соблюдать особые меры предосторожности:
a) При подсоединении электропроводки ба ...
