Nissan Primera: Ремонт генератора
Генератор и соединенный с ним регулятор не стоит регулировать или ремонтировать, если отсутствует необходимый опыт работы. Не заряжающий батарею генератор можно обменять на новый, сдав при этом старый. Небольшой ремонт, например, замену щеток, можно произвести в мастерской. Подшипники генератора имеют долговременную смазку и не требуют технического обслуживания. Содержите поверхность генератора в чистоте и не допускайте попадания на нее воды или других растворителей. Щетки генератора скользят по гладким контактным кольцам и поэтому имеют очень большой срок службы. Для проверки щеток требуется снятие генератора. Если Вы разбираетесь в генераторах, разборка описана далее.
Разборка
Производите следующие работы, руководствуясь иллюстрацией ниже. На иллюстрации показан генератор Bosch, который устанавливается на автомобилях с двигателем 2.0 л. На карбюраторном двигателе устанавливается генератор Magnetti-Marelli. Основное отличие заключается в отсутствии пластины крепления, так как подшипник запрессован непосредственно в подшипниковый щит. Это следует учесть в следующем описании.

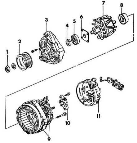
Монтажная схема генератора Bosch
1 — гайка, 45 - 55 Н•м 2 — ременный шкив 3 — щит приводного подшипника 4 — дистанционная шайба 5 — шарикоподшипник 6 — пластина крепления 7 — якорь 8 — подшипник контактных колец 9 — статор, регулятор и диоды 10 — щеткодержатель 11 — задняя крышка
ПОРЯДОК ВЫПОЛНЕНИЯ Отвинтите гайку от вала якоря и снимите с вала ременный шкив, а также вентилятор и дистанционную шайбу (если имеется). Вал при ослаблении можно удерживать старым клиновым ремнем, наложенным на ременный шкив, и зажатым в тисках. Для снятия ременного шкива можно использовать двух- или трехзахватный съемник. Следует помнить, что ременный шкив определен для данного двигателя.
Удалите из вала сегментную шпонку.
Отвинтите и выньте регулятор вместе с щеткодержателем.
Пометьте щит приводного подшипника и корпус на противоположных местах и выверните из корпуса оба стяжных болта. Отделите заднюю крышку подшипника от передней. Для этого можно слегка постучать по передней крышке полимерным молотком.
Установите щит подшипника и якорь под пресс и снимите якорь трехзахватным съемником. При выпрессовке болты пластины крепления могут вырваться. Поэтому обязательно следите, чтобы три захвата съемника были установлены под опорную пластину крепления, а не только под щит подшипника. Если нужно снять подшипник из щита, ослабьте болты на внутренней стороне и выпрессуйте подшипник.
Отожмите подшипник от конца контактных колец якоря. Если использовать для этого съемник, его следует устанавливать под внутреннюю обойму подшипника.
Отпаяйте плату диодов от статора. Для этого возьмите провода в местах пайки между статором и паяльником щипцами, которые будут служит для отвода тепла. Диоды не должны перегреваться.
Диоды выпрямителя должны сниматься, если имеются соответствующие приспособления и надлежащий опыт.
Если имеется опыт, проверьте детали следующим образом.
Проверка щеток и щеткодержателя
ПОРЯДОК ВЫПОЛНЕНИЯ Проверьте надежность контакта щеток с контактными кольцами.
Проверьте подвижность щеток в щеткодержателях, при необходимости очистите щеткодержатели средством "Tri".
Если выступающая часть щетки изношена до граничной линии, необходимо впаять новые щетки. На генераторе Bosch выступающая длина должна составлять 10 мм; на генераторе Magnetti-Marelli 5 мм. Для измерения используйте линейку.
Проверка якоря
Если контактные кольца загрязнены или засалены, их следует протереть тряпкой смоченной в средстве "Tri". Имеющиеся бороздки можно отполировать очень мелкой наждачной бумагой.
ПОРЯДОК ВЫПОЛНЕНИЯ Для проверки изоляции приложите щупы омметра к сердечнику якоря и контактным кольцам. Если показание не равно бесконечности, якорь должен быть заменен. Прикладывайте щупы к якорю, как показано на иллюстрации ниже.

Способ подключения при проверке обмотки якоря на замыкание на массу. Один щуп
омметра (1) приложить к контактному кольцу, другой щуп (2) к железному сердечнику.
Таким же образом проверить другое контактное кольцо.
Чтобы проверить обмотку якоря на прохождение тока, приложите оба щупа к контактным кольцам. Прибор должен показывать какое-то сопротивление. Если омметр показывает бесконечность, значит имеется обрыв, если наоборот, значит, короткое замыкание. Омметр подключается, как показано на иллюстрации ниже. При обеих неисправностях якорь следует заменить, однако лучше установите новый генератор, так как ремонт в конце концов обойдется дороже.

Проверка якоря на прохождение тока. Оба щупа омметра подключить к обоим контактным
кольцам.
Проверка статора
При коротком замыкании причину можно обнаружить по сильному нагреванию поврежденного места. Иначе следует подключить один щуп омметра к сердечнику статора, а другой щуп поочередно к трем проводам статора, как показано на иллюстрации ниже.

Проверка статора на замыкание на массу. По порядку прикладывать омметр (1) между
тремя проводами (2) и сердечником статора (3).
Прибор должен показывать бесконечность. Для проверки статора на прохождение тока, соедините по порядку три кабеля статора друг с другом попарно. Если прибор ничего не показывает, ток не протекает. При этом прикладывайте щупы, как показано на иллюстрации ниже.

Проверка статора на прохождение тока. Соединить омметр (1) по порядку с тремя
кабелями (2). При этом проверяются вместе каждые два кабеля.
Проверка диодов
Точная проверка диодов на напряжение пропускания и определение запорного тока возможно только с помощью специального прибора, и эта проверка должна выполняться в мастерской. Быструю проверку можно провести, подсоединив по порядку оснащенный источником тока омметр между каждым диодом и платой диодов. Следите за показаниями. Они должны быть или маленькими, или большими. Поменяйте полярность омметра. Бывшие маленькими сопротивления должны стать большими, высокие сопротивления должны стать маленькими.
Сборка
На иллюстрации показана монтажная схема генератора, ею следует руководствоваться при сборке.
ПОРЯДОК ВЫПОЛНЕНИЯ Соберите щит приводного подшипника. Для этого запрессуйте подшипник стороной с микронасечкой к ротору. На генераторе Bosch под него должна быть установлена шайба. Наложите пластину крепления и закрепите болтами (только Bosch).
Установите якорь в щит подшипника. При этом хорошо расположите щит и запрессуйте якорь.
Если было нужно отпаивать провода, их следует припаять на место. При этом используйте пинцет для отвода тепла, чтобы диоды не перегревались.
Проверьте внутреннюю сторону статора и отвести в сторону все плохо проложенные провода, чтобы они не касались якоря.
Вставьте через отверстие в крышке подшипника щеток маленькую проволочку, чтобы приподнять щетки от колец, когда устанавливается крышка. Наденьте щит подшипника контактных колец на статор и щит приводного подшипника, при этом обязательно нужно проверить, чтобы щетки были приподняты над кольцами вставленной проволокой (см. иллюстрацию ниже). Так как положение щеток видно плохо, для этой работы нужно запастись терпением. Когда щит подшипника контактных колец сядет, выньте проволочку. Привинтите щит подшипника контактных колец.

Вставить кусок проволоки в генератор, чтобы приподнять щетки перед установкой
крышки.
Наденьте дистанционное кольцо и вентилятор (Magnetti-Marelli) на вал якоря и наденьте ременный шкив. Затяните гайку с усилием 45 - 55 Н•м на генераторе Bosch или с усилием 70 - 90 Н•м на Magnetti-Marelli. Для этого ременный шкив можно зажать в тисках с губками из мягкого металла.
Снятие и установка генератора, Проверка установленного генератора
Снятие и установка
ПОРЯДОК ВЫПОЛНЕНИЯ Отключите кабель массы батареи.
С обратной стороны генератора отключите штекер кабеля. Отсоедините провод от
отдельной клеммы.
Ослабьте натяжитель при ...
Снятие и установка стартера
На моделях Primera установлен стартер с принудительным включением шестерни, который
соответствует мощности двигателя. Стартер двигателя 1.6 л имеет непосредственный
привод, т. е. мощность стартер ...
Другое на сайте:
Антистатическая планка (передняя дверь)
1 - Планка А - Дверь водителя • При касании этой планки Вы можете избежать удара
статическим электричеством.
Откройте дверь и прикоснитесь к этой планке при выходе из автомобиля.
Указания • Ну ...
Сцепление и приводные валы
Общая информация На рассматриваемых моделях установлено однодисковое сухое сцепление
с диафрагменной пружиной. Привод сцепления осуществляется с помощью троса. ...
Снятие, установка и регулировка тросов, регулирующих температуру/поступление
циркулирующего/наружного воздуха/распределение воздуха
Автомобили выпуска с 08/97 с ручным управлением кондиционером Снятие
1 - трос, регулирующий распределение воздуха; 2 - трос регулирования поступления
циркулирующего/наружного воздуха; 3 - трос ...
