Ford Mondeo: Хитроумная – система вентиляции
Электрический топливовсасывающий компрессор (насос подачи) в бензиновых моделях транспортирует топливо по системе бензопроводов от топливного бака к двигателю. Чтобы «связать» примеси и водный конденсат, в подающем трубопроводе сидит топливный фильтр. Все Mondeo с бензиновыми двигателями «носят» фильтр под основанием несущего кузова вблизи правого заднего колеса, напротив, в дизельных Mondeo он располагается под капотом двигателя на высоте правого выступа амортизационной стойки. Вентиляция и проветривание в основном заканчивается в наливной горловине бака. Отсюда проникающий при заправке бака и в соответствии с текущими расходами топлива воздух удаляется. Чтобы непомерно не загрязнять окружающую среду ядовитыми парами топлива, фильтр связывает с активированным углем удаляемые пары топлива и при работающем двигателе отправляет назад во всасывающий тракт.

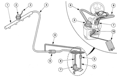
Топливная система четырехцилиндрового Mondeo
1 — Топливораспределительная трубка, 2 — Гаситель давления, 3 — Трубопровод пониженного
давления, 4 — Топливопровод, 5 — Редукционный клапан, 6 — Сливной трубопровод, 7
— Погружной топливный насос, 8 — Подающий трубопровод (деталь погружного топливного
насоса), 9 — Топливный фильтр, 10 — Датчик уровня топлива.
Хороший «раздатчик корма»
С современным акселератором Mondeo стал скорее редким гостем автозаправочной
колонки. Варианты бензиновых двигателей сжигают Euro-Super – дизельные Mondeo забирают
горючее у колонки с дизельным то ...
Главные элементы топливной системы
Топливный насос: в Mondeo работает бесшумный электрический погружной бензонасос.
Насос и датчик являются единым элементом, неизрасходованное топливо и газы через
редукционный клапан в корпусе насо ...
Другое на сайте:
Цилиндр замка задней двери (модели Хэтчбек)
Расположение кожуха цилиндра замка задней двери с центральным замком (со снятой
панелью отделки)
Цилиндр замка задней двери снимается таким же образом, как и цилиндр замка задней
двери на модел ...
Сцепления (двигатель и коробка передач установлены в автомобиле)
Снятие ОБЩИЕ СВЕДЕНИЯ Предупреждение Для снятия сцепления, когда двигатель и
коробка передач установлены в автомобиле, необходимо использовать специальные инструменты,
однако можно воспользоваться ...
Проверка состояния вентиляторов системы охлаждения и цепей их включения,замена
вентиляторов
Старайтесь не прикасаться к лопастям крыльчаток руками, инструментом и деталями
одежды. Во избежание получения травмы или повреждения оборудования, не запускайте
двигатель при неисправном вентилят ...
