Ford Mondeo: Главная передача

Распределитель мощности двигателя на ведущие колеса: главная передача
1 — Корпус дифференциала, 2 — Коническая шестерня, 3 — Выходной вал редуктора, 4
и 7 — Сателлитные конусные колеса, 5 — Дистанционная втулка, 6 — Планетарное колесо,
8 — Сателлитная ось, 9 — Дистанционное и предохранительное кольцо.

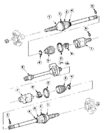
Различия в деталях: приводные валы в Mondeo
А — Duratec-VE (V6) c коробкой передач MTX-75, В — DuraTorg-DI c коробкой передач
MTX-75, С — Duratec-HE c коробкой передач CD4E, D — Duratec-HE c коробкой передач
MTX-75.

Общий обзор: приводной вал Duratec-VE
1 — Приводной вал с наружным шарниром равных угловых скоростей, 2 — Зажимная лента
манжеты, 3 — Манжета шарнира, 4 — Зажимная лента манжеты, 5 — Предохранительное
кольцо трипод-звезды, 6 — Внутренний шарнир равных угловых скоростей, 7 — Внутренняя
коробка шарнира равных угловых скоростей, 8 — Предохранительное кольцо осевого вала,
9 — Промежуточный вал со средним подшипником, 10 — Предохранительное кольцо промежуточного
вала.
Коробка передач и главная передача вместе с дифференциалом располагаются в корпусе. Подводящая от двигателя к коробке передач сила передается через малую и большую шестерню (шестерня главной передачи) на главную передачу. Шестерня главной передачи соединена с корпусом дифференциала. Приводные валы в конечном счете обеспечивают соединение с силовым замыканием между главной передачей и ступицей колеса.
Главная передача и приводные валы
Главная передача: находится вместе с дифференциалом и механической или автоматической коробкой передач в одном корпусе. В коробке дифференциала располагаются четыре входящих в зацепление друг с другом конусные шестерни, из которых две связаны с приводными валами.
Движение по прямой: передние колеса вращаются синхронно с главной передачей. Дифференциал вращается на тех же оборотах, конусные шестерни в коробке дифференциала «стоят на месте».
Движение на повороте: внешнее по отношению к повороту колесо проделывает больший путь назад по сравнению с внутренним колесом (разность частот вращения). Если эту разность не компенсировать, то Mondeo бы сильно разворачивало и кривая преодолевалась бы с проворачивающимся внутренним передним колесом. Конусные шестерни предотвращают этот эффект, в коробке дифференциала они заботятся о необходимом выравнивании: конусная шестерня внешнего приводного вала, которое вращается быстрее, оказывает тормозное воздействие посредством двух промежуточных конусных шестерен на конусную шестерню приводного вала, который соотнесен с внутренней областью кривой поворота. Необходимую разность частот вращения нейтрализует разность хода между двумя передними колесами.
Передача силы на все колеса (от дифференциала): в зависимости от комбинации «двигатель – коробка передач» Ford устанавливает в Mondeo на левой стороне три и на правой стороне два разных приводных вала. Они различаются своими диаметрами и фланцами подсоединения к коробке передач. Наружные шарниры нельзя заменять по отдельности, они должны заменяться в одном комплекте со сменным приводным валом. В зависимости от комбинации «двигатель-коробка передач» используются равным образом четыре разных промежуточных вала со своими размерами.
Шарнир равных угловых скоростей: такие шарниры обеспечивают комфортную передачу крутящего момента на ведущие колеса. Поскольку они, иначе чем карданный шарнир, имеют меньше изнашиваемых деталей, то характеризуются долгой продолжительностью существования. Со стороны коробки передач приводные валы Mondeo имеют шарнир-«трипод» (с трипод-звездой, ходовыми роликами и трипод-колоколом), со стороны колес монтируются шарниры равных угловых скоростей (с шаровой звездой, сепаратором шарикоподшипника и шарообразной оболочкой). Шарниры равных угловых скоростей с трудом передают действия приводов на рулевое колесо.
Комели приводных валов: вращаются со стороны колес в двух шарикоподшипниках поворотной опоры рулевого механизма. В противоположность шлицевому соединению стороны ступицы колеса шлицевое соединение со стороны коробки передач имеет небольшое кручение, которое снижает щелкающие звуки при трогании с места.
ПРАКТИЧЕСКИЙ СОВЕТ
Когда приводной вал издает шумы
Срок службы приводных валов, естественно, зависит также от способа вождения: избегаете спринтерских стартов – тем более при деформированных колесных дисках. Шумы, которые сигнализируют о наличии дефекта, согласно практике, появляются случайно. Однако не вводите себя в заблуждение – даже если такие шумы вновь исчезли на продолжительное время – несмотря на это, тщательно осмотрите приводные валы. А это симптомы:
ритмические ударные или кляцкающие звуки, которые появляются во время ускорений или режима принудительного холостого хода (могут изменяться при поворотах руля), срывают «маску» с дефектного шарнира со стороны колес.
Если при движении на вираже ваше рулевое колесо «сильно бьет вам по рукам», то это исходит непременно от дефектных наружных шарниров приводных валов.
При трогании с места с разбитыми колесными дисками появление треска указывает также на дефектные приводные валы. Запомните: изношенный колесный подшипник часто обладает таким же симптомом.
Проверка уровня трансмиссионного масла (автоматическая коробка передач)
Автоматические коробки передач CD4E, как и все механические коробки передач Mondeo,
обеспечиваются маслом длительного пользования. Однако после экстремальной эксплуатации
автомобиля, например, в н ...
Проверка манжет приводных валов
ПОРЯДОК ВЫПОЛНЕНИЯ
Поставьте на козлы переднюю часть автомобиля со свободно висящими колесами.
Поворачивайте рулевое колесо до упора влево и вправо. Внешнее по отношению к
виражу колесо вращайте ...
Другое на сайте:
Память положения сиденьяи зеркал
Вы можете запрограммировать два раз личных положения для сиденья водителя и наружных
зеркал.
Регулировки ширины спинки сиденья и поло жения поясничной опоры в памяти не сохра
няются. ...
Снятие и установка суппортов дисковых тормозных механизмов передних колес
Помните, что вырабатываемая в процессе работы тормозных механизмов пыль может
содержать чрезвычайно вредный для здоровья человека асбест. Ни в коем случае не
сдувайте пыль сжатым воздухом и не вды ...
5-ступенчатая секвентальная автоматическая коробка передач
Программы работы Система управления автоматической коробкой передач предусматривает
различные программы работы коробки передач. В зависимости от действий водителя или
от условий движения автомоб ...
