Mazda 626: Боковой облицовочный элемент багажного отделения
Автомобили с кузовом хэтчбек С н я т и е : • Снять с автомобиля задний облицовочный,; элемент багажного отделения.
Облицовочный элемент с правой стороны

Облицовочный элемент с правой стороны
Облицовочный элемент с левой стороны

Облицовочный элемент с левой стороны
• Облицовочный элемент с левой стороны: при выключенном зажигании отсоединить провод от отрицательного (-) полюсного вывода аккумуляторной батареи.
Внимание. Если радиоприемник снабжен спец. кодом (для предотвращения краж), он при отсоединении проводов от выводов аккумулятора будет сброшен. Отличительным признаком радиоприемников данного типа является слово "CODE" на панели управления либо значок ключа красного цвета. Радиоприемник может быть введен в эксплуатацию только после введения спец. кода. Поэтому заранее, до отключения аккумуляторной батареи, необходимо узнать спец. код.
Облицовочный элемент с левой стороны: вынуть из облицовочного элемента фонарь освещения багажного отделения. Снять штекерный разъем и вынуть фонарь.
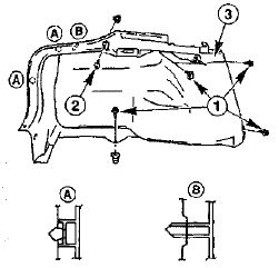
• Вывернуть винты -4- и снять крепежные петли -5-.
• Снять разжимные фиксаторы - 1 - .
• Вывернуть винт -2- и снять с боковины боковой облицовочный элемент багажного отделения -3-. Облицовочный элемент крепится с помощью фиксаторов -А- и штифтов -В-.
Установка • Установить боковой облицовочный элемент на автомобиль. Фиксаторы -А- и штифты -Вдолжны войти в монтажные отверстия. Надавить на облицовочный элемент. Фиксаторы А- должны защелкнуться.
• Завернуть винт -2-.
• Установить разжимные фиксаторы.
• Облицовочный элемент с правой стороны: установить крепежные петли.
• Облицовочный элемент с левой стороны: подсоединить штекерный разъем к фонарю освещения багажного отделения. Вставить фонарь в монтажное отверстие и нажать на него. Подсоединить провод к отрицательному (-) выводу аккумуляторной батареи.
При необходимости ввести в радиоприемник спец. код и установить время на часах.
• Установить задний облицовочный элемент багажного отделения.
Боковой облицовочный элемент багажного отделения Автомобили с кузовом универсал Снятие • Вывернуть винты крепления боковой обивки в задней части салона и снять ее с автомобиля.
• Снять крышку наружного корпуса амортизационной стойки с верхнего бокового облицовочного элемента.
• Убрать уплотнительные пластины с верхнего облицовочного элемента.
• Снять крышку - 1 - .
• Вывернуть винты -2-.
• Осторожно снять облицовочный элемент -3-.
Облицовочный элемент крепится в местах, обозначенных буквами A/B/C/D:

А/В - фиксаторы, С - фиксатор -I- штифт D штифт

Снять крышку -2• Снять разжимные фиксаторы - 1 • Осторожно освободить нижний облицовочный элемент -3- от разжимных фиксаторов -А- и снять его с автомобиля.
Установка • Установить нижний облицовочный элемент и закрепить его с помощью фиксаторов. Фиксаторы должны защелкнуться.
• Установить разжимные фиксаторы.
• Установить и зафиксировать крышку.
• Установить верхний облицовочный элемент.
Фиксаторы и штифты (A/B/C/D) должны войти в монтажные отверстия. Фиксаторы должны защелкнуться.
• Завернуть винты и установить крышку.
• Установить уплотнитель.
• Установить крышку наружного корпуса амортизационной стойки.
• Установить и зафиксировать боковую обивку в задней части салона.
Снятие и установка облицовочных элементов багажного отделения
Автомобили выпуска с 08/97 Задний облицовочный элемент багажного отделения Снятие
Автомобили с кузовом седан
Автомобили с кузовом хэтчбек
• Снять разжимные фиксаторы - 1 - .
• Поднять вве ...
Снятие и установка передних сидений
Снятие и установка передних сидений 1 - разжимные фиксаторы; 2 - крышки;
3 - винты (45 Нм); 4 - крышка (внутренняя); 5 - гайка (45 Нм); 6 - крышка (наружная,
со стороны дверей); 7 - винт (45 Н ...
Другое на сайте:
Снятие и установка облицовки пространства между спинкой заднего сидения и задним
стеклом
Автомобили с кузовом хэтчбек выпуска с 08/97 Снятие • При выключенном зажигании
отсоединить провод от отрицательного (-) полюсного вывода аккумуляторной батареи.
Внимание. Если радиоприемник снабже ...
Топливная система бензиновых двигателей
Система питания включает: – топливный бак, установленный под задней частью автомобиля;
– электрический топливный насос, погруженный в бак; – топливный фильтр; – топливную
магистраль; – возвратные ...
ГИДРАВЛИЧЕСКАЯ СИСТЕМА - УДАЛЕНИЕ ВОЗДУХА ИЗ СИСТЕМЫ
1. Подсоединить аккумуляторную ба тарею.
2. Включить двигатель и дать ему по работать несколько минут на холостых оборотах,
чтобы жидкость заполнила систему.
З. Повернуть рулевое колесо несколь ко ...
