Iran Khodro Samand: СНЯТИЕ И УСТАНОВКА ВЕДУЩЕЙ ПЛАСТИНЫ КОМПРЕССОРА
1. Снять компрессор.

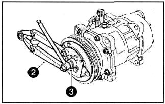
2. Установить специальное приспо собление, как показано на рисунке.
З. Отвернуть центральную гайку креп ления.


4. Установить специальный съемник, как указано на рисунке.
5. Спрессовать ведущую пластину с компрессора.
6. Установка производится в последовательности обратной снятию.
СНЯТИЕ И УСТАНОВКА КОМПРЕССОРА В СБОРЕ
1. Разрядить систему кондициониро вания.
2. Снять брызговик двигателя.
З. Снять колесные арки.
4. Снять ремень привода вспомога тельного оборудования.
5. Отсоединить разъем.
6. Отсоединить по ...
СНЯТИЕ И УСТАНОВКА ВЕДУЩЕГО ШКИВА КОМПРЕССОРА
1. Снять компрессор в сборе с автомо биля.
2. Снять ведущую пластину компрес сора.
З. Снять стопорное кольцо, шайбы и шпонку, как показано на рисунке.
4. Установить специальный съемник и спре ...
Другое на сайте:
Снятие и установка наконечника рулевой тяги/пылезащитного чехла/гофрированного
чехла
Снятие и установка наконечника рулевой тяги/пылезащитного чехла/гофрированного
чехла 1 - шплинт (заменять новым), 2 - гайка (40 Нм), 3 - пылезащитный чехол,
4 - шаровой палец шарнира тяги, 5 - ...
Проверка с помощью универсального прибора – датчик частоты вращения
С помощью измерения сопротивления (универсальный прибор, смотрите также главу
Электротехническое оборудование) проверяется функционирование датчика частоты вращения.
Чтобы убедиться в том, что отс ...
Сепаратор паров топлива (модели 1,6 и 1,8 л)
Сепаратор паров топлива закреплен на кронштейне сбоку карбюратора.
Снятие
ПОРЯДОК ВЫПОЛНЕНИЯ
1. Промаркируйте три топливных шланга, затем отсоедините их от сепаратора паров
топлива. Закройте ко ...
