Nissan Primera: Нижние поперечные рычаги

Детали нижнего поперечного рычага и его крепления
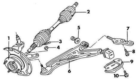
1 — поворотный кулак со ступицей 2 — приводной вал 3 — шплинт 4 — гайка, 72 - 88 Н•м 5 — гайка и шайба, 95 - 120 Н•м 6 — нижний поперечный рычаг 7 — вал опоры 8 — болт, 120 - 150 Н•м 9 — монтажный хомут 10 — болт, 120 - 150 Н•м

Крепление стабилизатора поперечной устойчивости на карбюраторной модели
1 — чашка 2 — резиновая втулка 3 — чашка 4 — гайка, 19 - 25 Н•м 5 — гайка, 41 - 50 Н•м 6 — стабилизатор поперечной устойчивости
Крепление нижних поперечных рычагов показано на иллюстрации. На иллюстрации показан поперечный рычаг, устанавливаемый на модели с инжекторным двигателем. На модели с карбюраторным двигателем стабилизатор поперечной устойчивости посредством штанги с шаровым шарниром соединен на верхнем конце с поперечным рычагом. Эта конструкция показана на иллюстрации.
При снятии поперечного рычага действуйте следующим образом: ПОРЯДОК ВЫПОЛНЕНИЯ Установите переднюю часть автомобиля на опоры.
Отсоедините соединительную штангу стабилизатора. На инжекторном двигателе стабилизатор проходит только через поперечный рычаг и должен ослабляться на поворотном кулаке; на карбюраторной модели отвинтите шарнирное соединение от конца штанги стабилизатора.
Удалите гайку шаровой опоры поворотного кулака на внутренней стороне и выжмите шаровый палец. Для этой работы подойдет съемник, используемый при снятии наконечника рулевой тяги.
Теперь отвинтите поперечный рычаг внутри. Для этого удалите оба вставленных снизу болта (10) (см. иллюстрацию) и ослабьте гайку и шайбу (5) на противоположной стороне. Оттяните поперечный рычаг назад, пока он не освободится от опорного пальца и выньте его. Если требуется, можно снять опорный вал (7) для поперечного рычага после выворачивания болтов (8). На иллюстрации ниже показано, в каких местах закреплен поперечный рычаг.

Места, обозначенные стрелками, показывают, где следует ослаблять соединения для
снятия поперечного рычага.
Втулки поперечного рычага замене не подлежат. При повреждении следует заменить весь рычаг. То же самое относится и к разбитому шаровому шарниру. Если он имеет осевой люфт (вверх и вниз), поперечный рычаг следует заменить. Потерявший подвижность шарнир также требует замены поперечного рычага.
Установка поперечного рычага осуществляется в обратной последовательности. Требуемые моменты затяжки приведены на иллюстрации. Затяните гайку (5) и болты (10), когда автомобиль будет стоять колесами на земле, при этом автомобиль не должен быть дополнительно загружен. Смажьте опорные места небольшим количеством смазки. После установки деталей следует проверить углы установки колес. Возможно потребуется отрегулировать схождение колес.
Следует учесть следующие указания: Наденьте поперечный рычаг одной стороной на цапфу опорного вала, наложите шайбу и наверните гайку усилием руки.
На другой стороне закрепите монтажный хомут (9) с болтами (10). Вверните оба болта, не затягивая.
Соедините шаровый палец поперечного рычага с поворотным кулаком и затяните корончатую гайку с усилием 72 - 88 Н•м. Вставьте новый шплинт. Немного доверните гайку, если шплинт не вставляется.
Вставьте соединительную штангу стабилизатора поперечной устойчивости через поперечный рычаг и присоединить стабилизатор, как описано в следующей главе.
Опустите автомобиль на колеса.
Затяните гайку поперечного рычага в указанных на иллюстрации местах с соответствующим моментом затяжки. Благодаря этому втулки затягиваются надлежащим образом. Все другие моменты указаны на уже приведенных иллюстрациях.
Верхний поперечный рычаг
Крепление верхнего поперечного рычага
1 — шаровая опора 2 — гайка, 112 - 126 Н•м 3 — болт амортизационной стойки, 112
- 126 Н•м 4 — амортизационная стойка 5 — гайка, 16 - 22 Н•м 6 — чашка 7 — рез ...
Стабилизатор поперечной устойчивости
Крепление стабилизатора поперечной устойчивости на нижней стороне автомобиля.
Слева штанга автомобиля с инжекторным двигателем
1 — соединительная штанга 2 — гайка, 42 - 52 Н•м 3 — монтажный хомут ...
Другое на сайте:
Система охлаждения
Хорошо видно: уровень охлаждающей жидкости в прозрачном компенсационном бачке
рядом с правой амортизацион-ной стойкой.
Если вы часто доливаете небольшие объемы воды, то проверьте систему на гермети ...
Готовность системы НПБ к работе
Когда Вы вставили электронный ключ в замок зажигания или включили положение „Радио“.
на несколько секунд загорается сигнальная лампа, кото рая сообщает о готовности
системы НПБ и натяжителей р ...
Диагностика неисправностей систем питания и выпуска отработавшего газа
Чрезмерен расход топлива
1 Загрязнен фильтрующий элемент воздухоочистителя или иным образом нарушена его
проходимость (см. Главу Настройки и текущее обслуживание).
2 Нарушена установка угла опер ...
